Ламповые усилители низкочастотные
Выбираю схему...
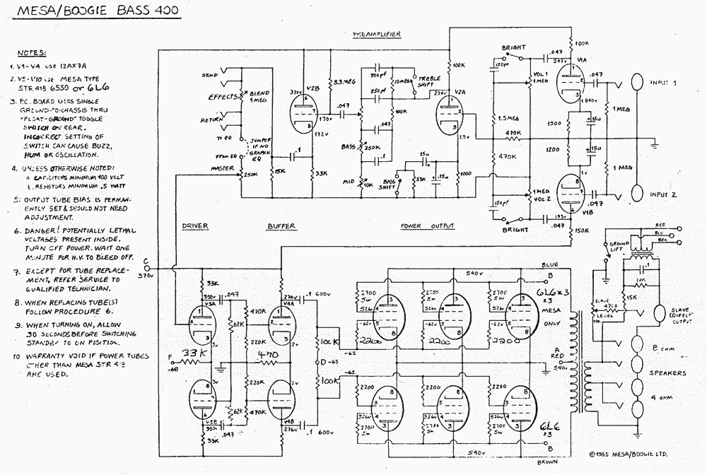
Lamp amplifier on EL-34
Основные технические характеристики:
Номинальное входное напряжение………………………………0.5 В
Номинальная (максимальная) выходная мощность………..…..50(70)Вт
Диапазон воспроизводимых частот по уровню ±1дб…………..25-35000 Гц
Коэффициент гармоник при выходной мощности 10 Вт
Суммарный…………………………………………….….0,05
2-я гармоника……………………………………………..0,035%
3-я гармоника……………………………………………..0,029%
4-я гармоника……………………………………………..0,006%
5-ая гармоника……………………………………………ниже разрешающей способности АЦП анализатора спектра
Отношение сигнал-шум, невзвешенное………………………..…92дБ
Скорость нарастания выходного напряжения*…………………..45 В/мкс
Фазовый сдвиг в диапазоне частот 50-10000Гц*………………....3 град
Выходное сопротивление* ………………………………………...0,08 Ом
Параметры, обозначенные знаком * измерялись косвенными методами и являются приближенными
Китайское чудо. Предусилитель на 6Н3П. Matisse 6N3 buffer
ЭЛЕКТРОННАЯ ЛАМПА. ЛАМПОВЫЕ УНЧ - УМ
Схемы ламповых УНЧ Avantic и Grommes 260А
Усилитель SINGLE END 6Э5П-6П45С
Усилитель на 6Ж1П, 6П14П
Toroidal Transformer For Audio Amplifiers
Conception of constructing of modern lamp sound amplifiers





Комментарии
Отправить комментарий